Typical section details of the water tap AutoCAD DWG drawing file are provided.
Description
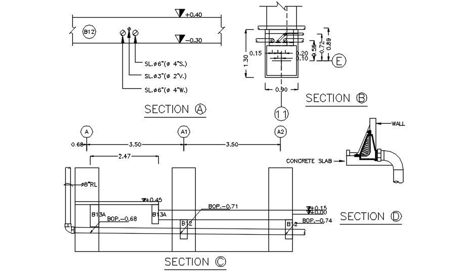
Typical section details of the water tap AutoCAD DWG drawing file are provided. concrete slab, wall,Sectional details, and the dimensions are clearly given in this drawing file. Also, the dimensions are mentioned in this DWG file perfectly. Download the AutoCAD 2D DWG file. Thank you so much for downloading DWG file from our website
File Type:
DWG
File Size:
1.9 MB
Category::
Dwg Cad Blocks
Sub Category::
Autocad Plumbing Fixture Blocks
type:
Gold

Uploaded by:
AS
SETHUPATHI

