RC wall, PT, and Rc beam wall schedule typical section details are given in this AutoCAD Drawing File. Download the AutoCAD file now.
Description
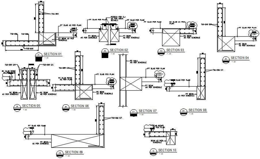
RC wall, PT, and Rc beam wall schedule typical section details are given in this AutoCAD Drawing File. In this file, the reinforcement details of the slab as per the plan, Existing pile cap were neatly given. The section detail and the dimension were also are given clearly in this drawing. Download the AutoCAD file now. Thanks for downloading the 2d AutoCAD file and another CAD program from the cadbull.com website.
File Type:
DWG
File Size:
1.1 MB
Category::
Structure
Sub Category::
Section Plan CAD Blocks & DWG Drawing Models
type:
Gold

Uploaded by:
AS
SETHUPATHI

