Beam requirement work drawing section details as per drawing is given in this 2D AutoCAD DWG drawing. Download the free AutoCAD 2D DWG file.
Description
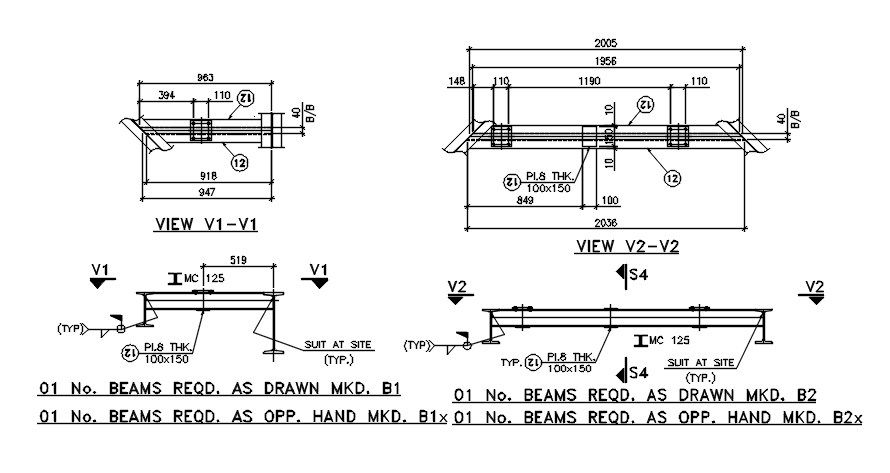
Beam requirement work drawing section details as per drawing is given in this 2D AutoCAD DWG drawing. Sectional details are clearly given in this drawing file. Beam requirement work drawing, connection details, dimension drawing, and section details are given in this DWG file. Download the free AutoCAD 2D DWG file. Thank you so much for downloading the DWG file from our website.
File Type:
DWG
File Size:
288 KB
Category::
Structure
Sub Category::
Section Plan CAD Blocks & DWG Drawing Models
type:
Free

Uploaded by:
AS
SETHUPATHI
