Typical angle section plans are given in this AutoCAD DWG drawing. Download the AutoCAD 2D DWG file.
Description
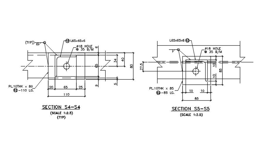
Typical angle section plans are given in this AutoCAD DWG drawing. Sectional details are clearly given in this drawing file. Bolts, holes, dimensions, and section details are given in this DWG file. This Cad drawing file is very useful for civil engineers and structural engineers. Download the AutoCAD 2D DWG file. Thank you so much for downloading the DWG file from the cadbull website.
File Type:
DWG
File Size:
393 KB
Category::
Structure
Sub Category::
Section Plan CAD Blocks & DWG Drawing Models
type:
Gold

Uploaded by:
AS
SETHUPATHI

