Security room footing details are given in this 2D Autocad DWG drawing file. Download the 2D Autocad DWG drawing file.
Description
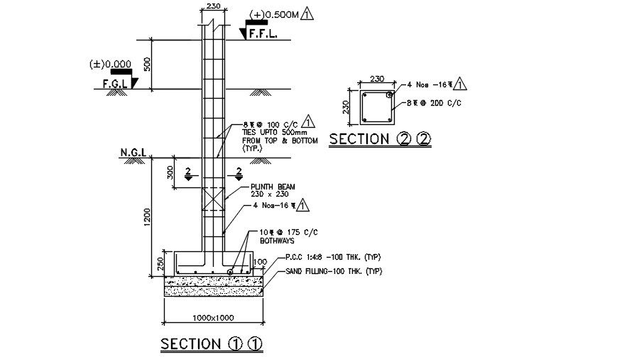
Security room footing details are given in this 2D Autocad DWG drawing file. Thickness of PCC and sand filling is 100mm. Size of 230x230mm plinth beam is provided. 8 @ 100 C/C ties upto 500mm from top and bottom. Thank you for downloading the 2D Autocad DWG drawing file and other CAD program files from our cadbull website.
Uploaded by:

