Cross section of plinth beam of the building details has given in this 2D AutoCAD DWG drawing file. Download the 2D Autocad DWG drawing file.
Description
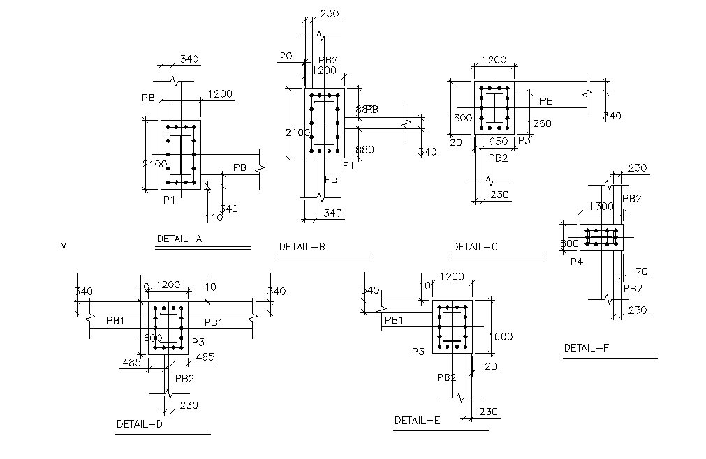
Cross section of plinth beam of the building details has given in this 2D AutoCAD DWG drawing file. Here layout of plinth beam is given with the measurements. Section and cross section of plinth beam details has given. In this layout each plinth beam has different dimensions and noted in the model. A reinforcement detail of plinth beam is given. Other details are given clearly in this drawing model. Download the 2D AutoCAD DWG drawing file. Thank you for download the 2D AutoCAD DWG drawing file and other CAD program files from our website.
Uploaded by:

