Administrative office plan is given in this 2D Autocad DWG drawing file. Download the Autocad file.
Description
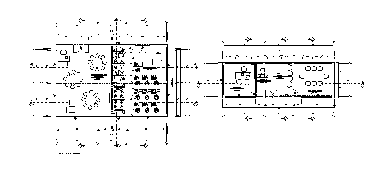
Administrative office plan is given in this 2D Autocad DWG drawing file. The length and breadth of the plan is 14.7m and 9m respectively. Development environment psychomotor, teacher’s room, secretary room, waiting area, and other details are given in this autocad drawing file. Download the 2D Autocad DWG drawing file. Thank you for downloading the 2D AutoCAD DWG drawing file and other CAD program files from our website.
Uploaded by:

