63x16m bank office cum commercial shop column base detail is given in this Autocad drawing file. Download now.
Description
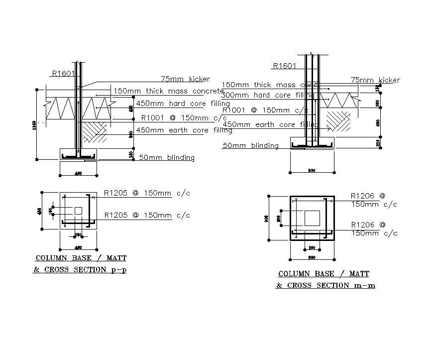
63x16m bank office cum commercial shop column base detail is given in this Autocad drawing file. Cross section view is given in this drawing model. 75mm kicker, 150mm thickness of mass concrete, 450mm hard core filling, 450mm earth core filling, 50mm blinding, and other details are given in this drawing. For more details download the autocad drawing file. Thank you for downloading the Autocad file and other CAD program files from our website.
Uploaded by:

