Three beam grid lines of 12X18m are given in this Autocad drawing file.Download now.
Description
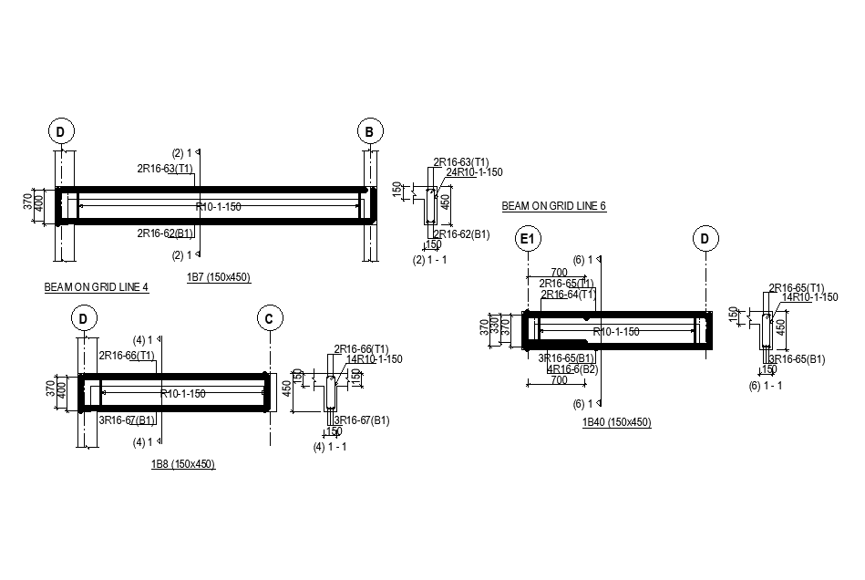
Three beam grid lines of 12X18m are given in this Autocad drawing file. Reinforcement detail is given in this drawing model. The dimension of cross section is 150x450mm. For more details download the Autocad drawing file. Thank you for downloading the Autocad drawing file and other CAD program files from our website.
Uploaded by:

