Plan and section view of the structural component is given in this Autocad drawing file. Download now.
Description
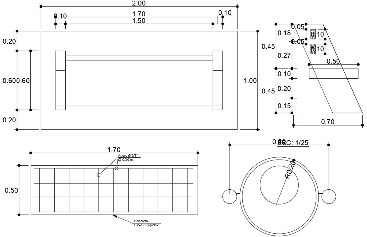
Plan and section view of the structural component is given in this Autocad drawing file. The length and breadth of the plan is 2m and 1m respectively. Cross section view is given in this model. For more details download the Autocad file. Thank you for downloading the Autocad file and other CAD program files from our website.
File Type:
DWG
File Size:
2 MB
Category::
Structure
Sub Category::
Section Plan CAD Blocks & DWG Drawing Models
type:
Gold
Uploaded by:

