A section view of column base of 24x25m house plan is given in this Autocad drawing file. Download now.
Description
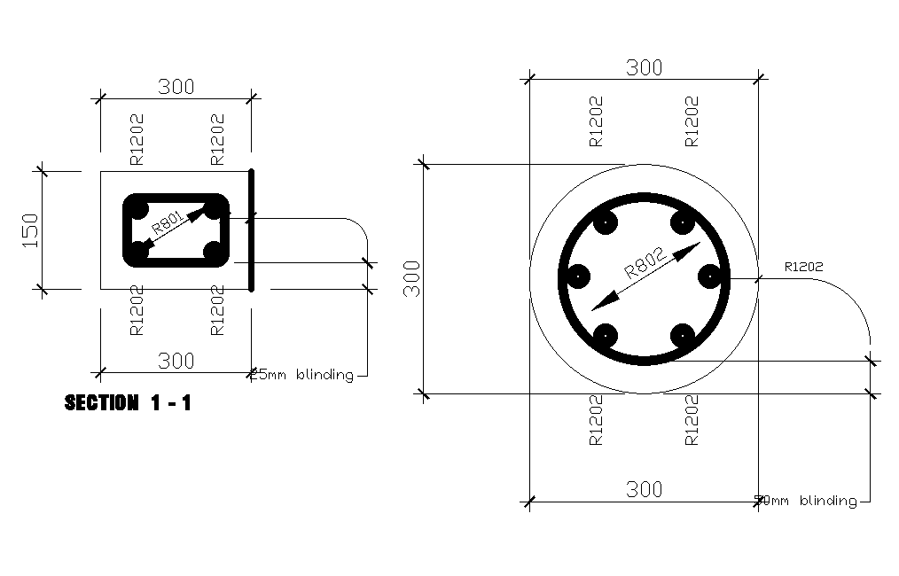
A section view of column base of 24x25m house plan is given in this Autocad drawing file. The section view of bases is 300x300mm and 150x300mm. In these drawing two types of column bases are given. 50mm blinding, reinforcement and other details are given in this drawing model. For more details download the Autocad drawing file. Thank you for downloading the Autocad drawing file and other CAD program files from our website.
Uploaded by:

