LOGIN
HOME
CATEGORIES
UPLOAD FILE
PRICING
HOUSE PLAN
ABOUT US
CONTACT US
Structure Beam & column section detail
Home
Categories
Structure
Structure Beam & column section detail
Uploaded by:
Priyanka
Patel
View Profile
View Profile
Description
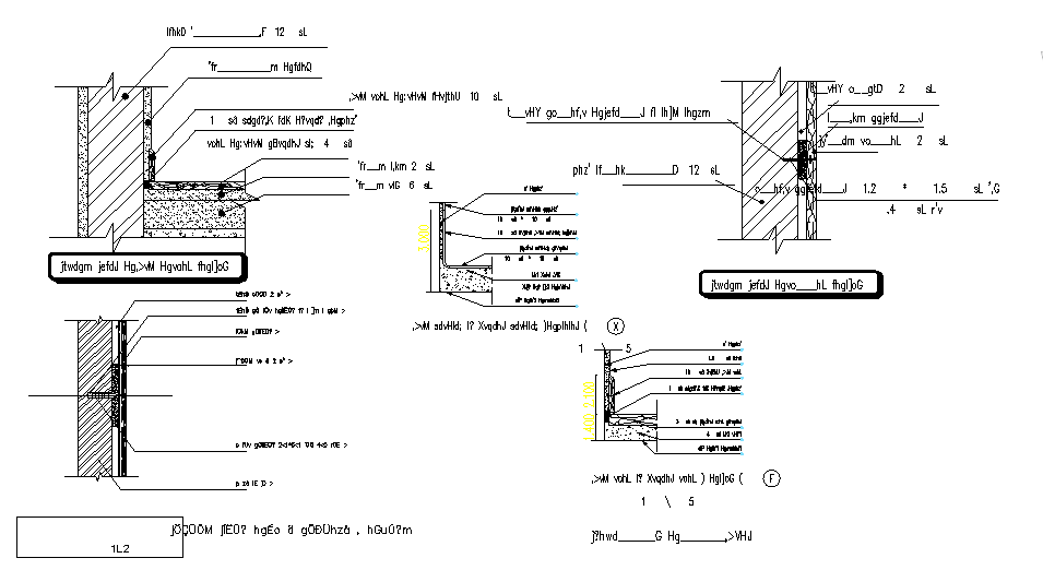
Structure Beam & column section detail, Section cutting detail, steel bar detail.
File Type:
DWG
File Size:
89 KB
Category::
Structure
Sub Category::
type:
Gold
Uploaded by:
Priyanka
Patel
View Profile
Download
Add to libary
find Latest
Related
Files