19x10m house of staircase plan is given in this Autocad 2D DWG drawing file. Download now.
Description
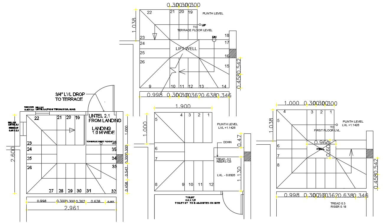
19x10m house of staircase plan is given in this Autocad 2D DWG drawing file. The length and height of the tread and riser is 300mm and 180mm respectively. This is G+1 house building. In this house, family lounge area, puja room, study room, master bedroom with toilet & bath tub, kid’s room with attached toilet, guest room with attached toilet, verandah and passage is available. For more details download the Autocad file. Thank you for downloading the Autocad file and other CAD program files from our website.
Uploaded by:

