10x14m house plan has been given in this Autocad drawing file. Download now.
Description
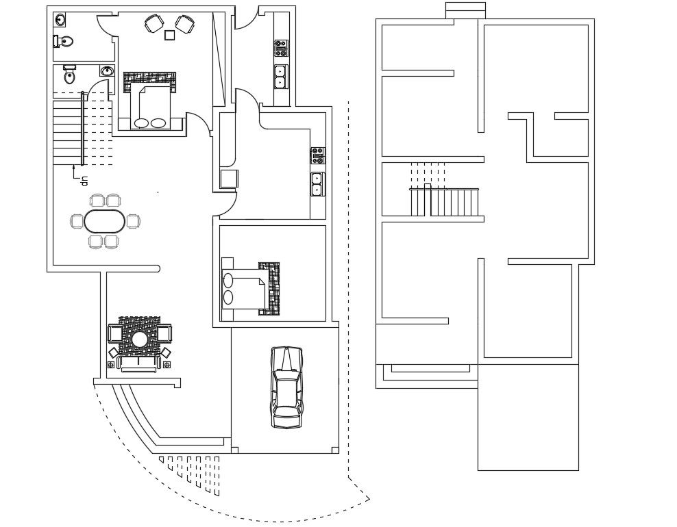
10x14m house plan is given in this Autocad drawing file. This is G+1 house building. Master bedroom with attached toilet, living area, dining hall, kitchen, kid’s room, and common toilet is available. For more details download the Autocad file. Thank you for downloading the Autocad file and other CAD program files from our website.
Uploaded by:

