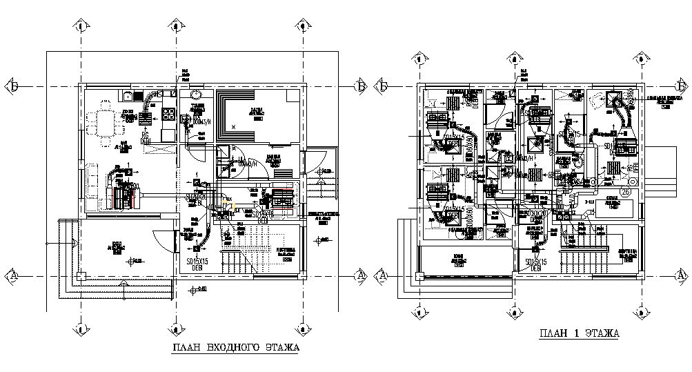
Ventilation detail of 10x9m villa guest house plan is given in this Autocad drawing file.Download now.
Description
Ventilation detail of 10x9m villa guest house plan is given in this Autocad drawing file. This is G+ 1 villa building. These ventilation connections are given around the rooms. For more details download the Autocad drawing file. Thank you for downloading the Autocad drawing file and other CAD program files from our website.
Uploaded by:

