Water pipe line is given for water treatment plant is given in this Autocad drawing file. Download now.
Description
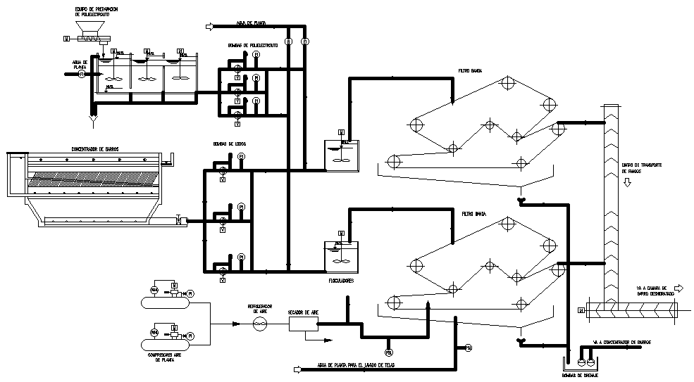
Water pipe line is given for water treatment plant is given in this Autocad drawing file. In this transportation belt, sludge pumps, polyelectrolite pumps and other details are available. For more details download the Autocad drawing file. Thank you for downloading the Autocad drawing file and other CAD program files from our website.
File Type:
DWG
File Size:
2.4 MB
Category::
Dwg Cad Blocks
Sub Category::
Autocad Plumbing Fixture Blocks
type:
Gold
Uploaded by:
