Public building ninth-floor plan cad drawing is given in this cad file. Download this cad file now.
Description
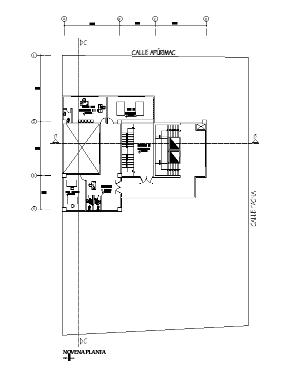
Public building ninth-floor plan cad drawing is given in this cad file. There is a 2d floor plan is available. There are also centerline details is available. In this floor plan, there are cabins with attached toilets available. Download this cad file now.

Uploaded by:
AS
SETHUPATHI

