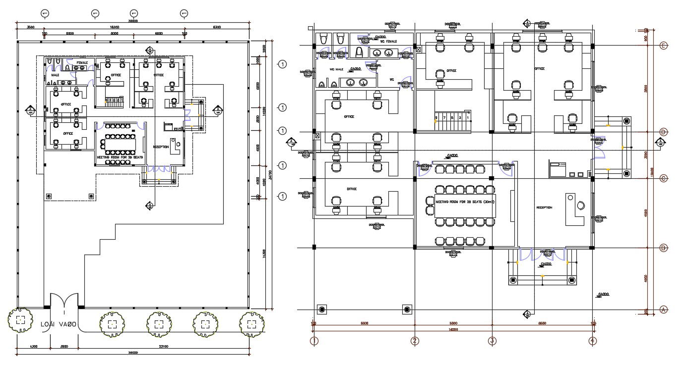
Office layout design cad drawing is given in this cad file. Download this cad file now.
Description
Office layout design cad drawing is given in this cad file. There is a 2d detailed plan is available. There is a master plan with centerline detail and column detail are available. Download this cad file now.

Uploaded by:
AS
SETHUPATHI

