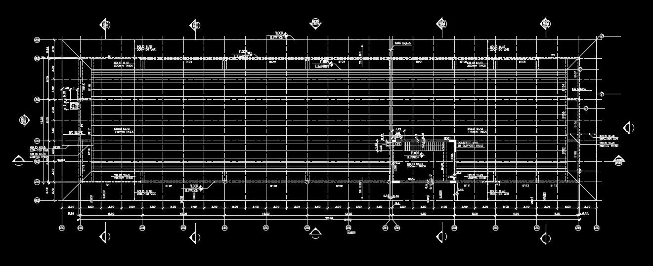
Horizontal beam layout of the 73x19m industrial plan
Description
Horizontal beam layout of the 73x19m industrial plan is given in this AutoCAD drawing model. Isolation joints, control joints, and construction joints details are given. The slab thickness is varying for each location. Other details are given in this drawing model. For more details download the AutoCAD files for free from our website.
Uploaded by:

