20x25m residential site layout drawing download now
Description
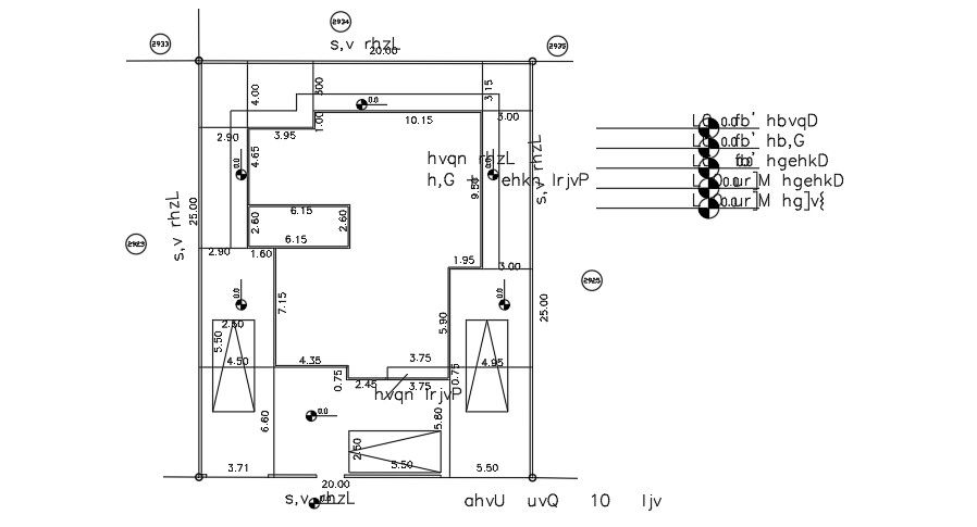
20x25m residential site layout drawing is given in this AutoCAD file. The dimension of the house plan is 14x16m. This is G+ 2 house building. For more details download the AutoCAD drawing file from our website.
Uploaded by:

