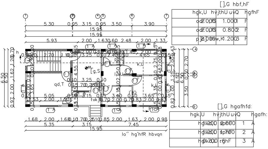
16x11m ground floor house plan AutoCAD drawing model
Description
16x11m ground floor house plan AutoCAD drawing model is given in this file. This is G+ 1 house building. The living room, kitchen, dining area, master bedroom, common toilet, kid’s room and common bathroom are available on this ground floor. For more details download the AutoCAD drawing file from our website.
Uploaded by:

