17x18m Residential Electric Drawing CAD Drawing

17x18m Residential Electric Drawing CAD Drawing
Profile

Uploaded by:

K.H.J

Jani

Description
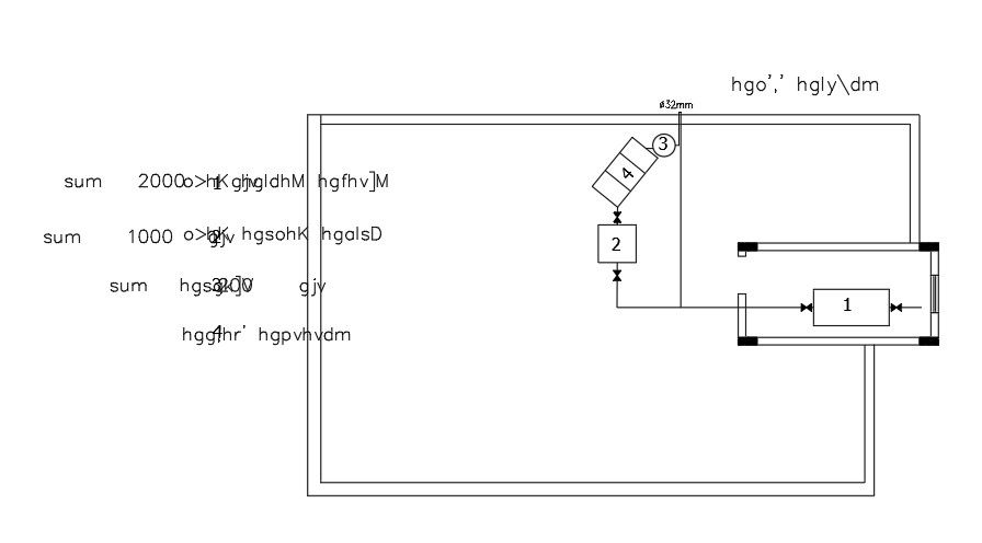
17x18 Meter residential electric drawing CAD drawing is given in this file. 4” PVC pipes are provided. For more details download the AutoCAD drawing file.
Profile

Uploaded by:

K.H.J

Jani

find Latest

Related Files

WhatsApp Chat