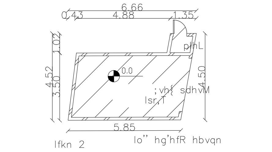
6x5m water tank plan is given in this AutoCAD drawing model

6x5m water tank plan is given in this AutoCAD drawing model
Profile

Uploaded by:

Meera

Description
6x5m water tank plan is given in this AutoCAD drawing model. This is given for the 14x11m house plan. For more details download the AutoCAD drawing file.
Profile

Uploaded by:

Meera

find Latest

Related Files

WhatsApp Chat