Plumbing Layout Of 13x9 Meter House Plan DWG File
Description
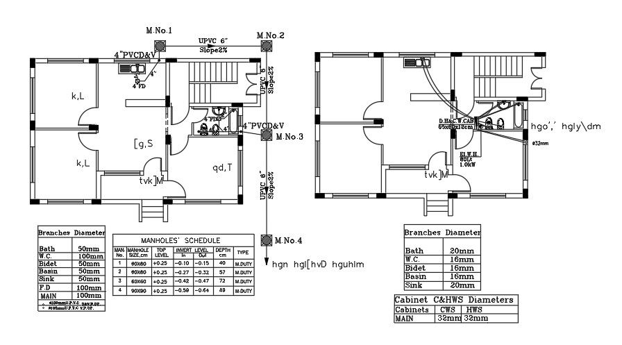
Plumbing Layout Of 13x9 Meter House Plan Layout DWG File. Plumbing Layout Of 13x9 Meter House Plan includes plumbing Detail Of Kitchen And Toilet Detail with sizes. Connection details show in this AutoCAD File. Thank you for downloading the AutoCAD drawing file and other CAD program files from our website. Visit CADBULL.COM Site.
File Type:
DWG
File Size:
693 KB
Category::
Dwg Cad Blocks
Sub Category::
Autocad Plumbing Fixture Blocks
type:
Gold
Uploaded by:
K.H.J
Jani

