13x15m house plan of the manhole AutoCAD drawing
Description
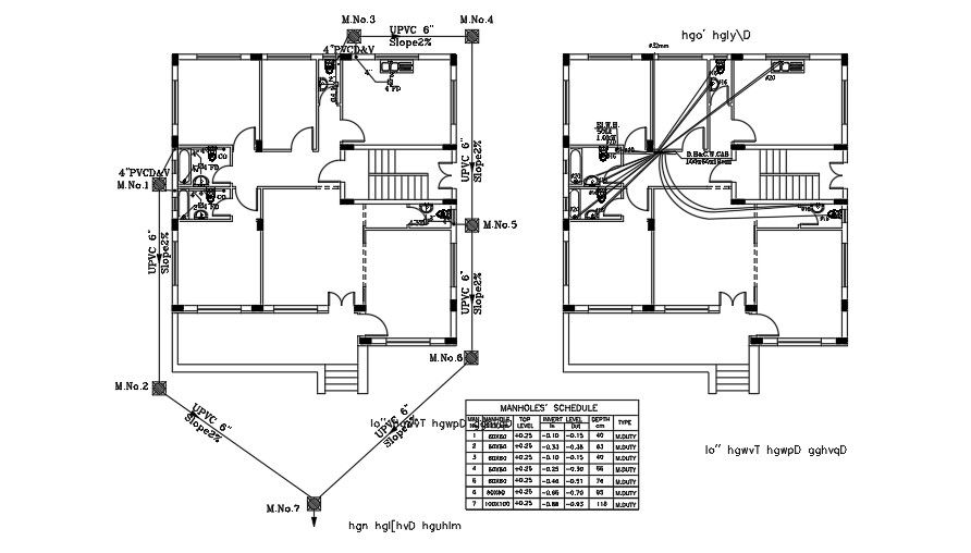
13x15m house plan of the manhole AutoCAD drawing is given in this file. There, 7 manholes are provided. The dimension of the each manhole is given in the table. The plumbing layout drawing is given in this floor plan. For more details download the AutoCAD drawing file from our website.
File Type:
DWG
File Size:
830 KB
Category::
Dwg Cad Blocks
Sub Category::
Sanitary CAD Blocks And Model
type:
Gold
Uploaded by:
