12x15m arch type commercial shop plan AutoCAD drawing
Description
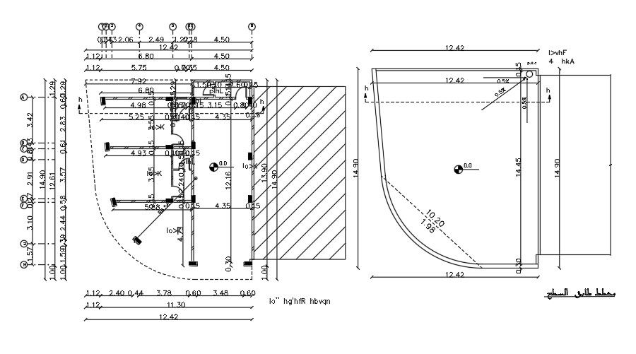
12x15m arch type commercial shop plan AutoCAD drawing is given in this file. Four shops are available with the attached toilet. And also, the column locations are given. For more details download the AutoCAD drawing file from our website.
Uploaded by:

