Column Footing Section DWG File
Description
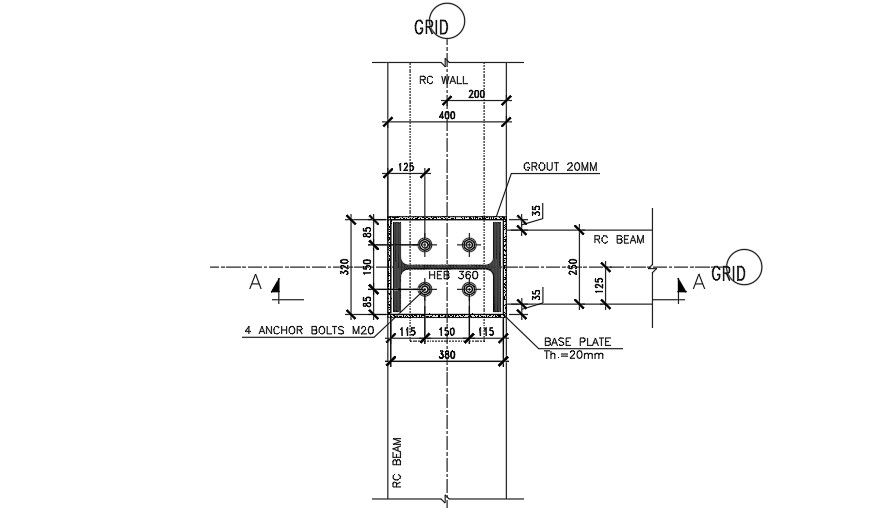
The wall and column footing plan and section CAD drawing consists of concrete plinth beam and foundation section CAD drawing that shows column reinforcement detail to assure that the finished material has 5' height the specified column with all dimension measurement detail in DWG file. Thank you for downloading the AutoCAD drawing file and other CAD program files from our website.
Uploaded by:
K.H.J
Jani

