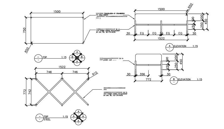
1500x750mm box steel drawing is given in this CAD file
Description
1500x750mm box steel drawing is given in this CAD file. An elevation view of the box has been given. The measurement details are given clearly. For more details download the AutoCAD drawing file from our cadbull website.
Uploaded by:

