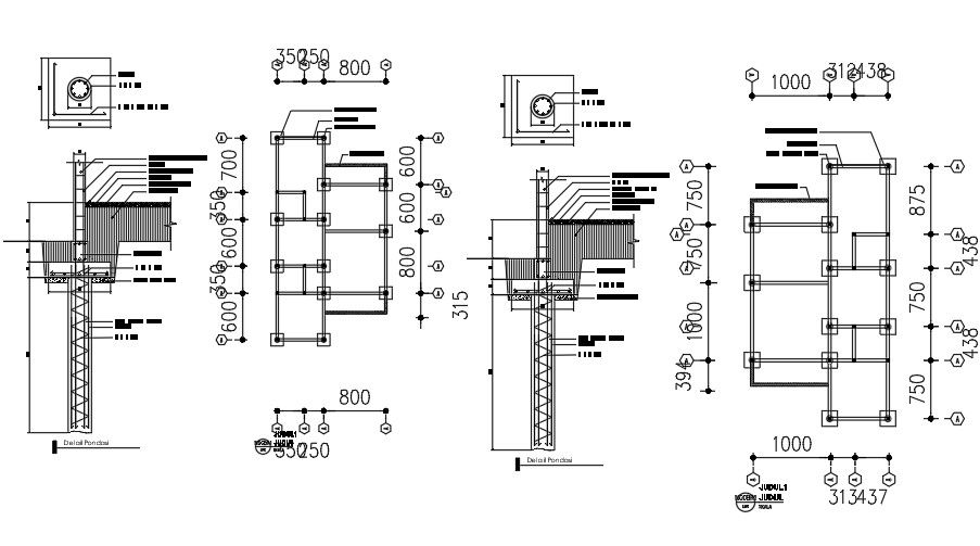
12x20m house plan column section view is specified in this drawing
Description
12x20m house plan column section view is specified in this drawing. The vertical section view of the column is mentioned with all details. For more details download the AutoCAD drawing file from our cadbull website.
Uploaded by:

