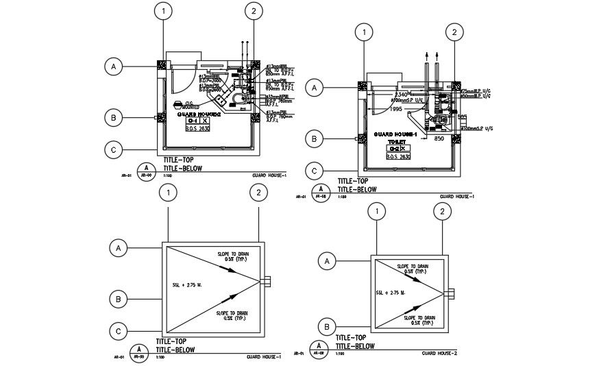
300x300cm guard house sanitary hardware AutoCAD drawing
Description
300x300cm guard house sanitary hardware AutoCAD drawing is given in this file. Roof layouts are provided with the rainwater sloping pipe line. The attached bathroom is provided in this house. For more details download the AutoCAD drawing file from our cadbull website.
File Type:
DWG
File Size:
1.9 MB
Category::
Dwg Cad Blocks
Sub Category::
Sanitary CAD Blocks And Model
type:
Free
Uploaded by:

