A typical fastener method for anchoring standard grating drawing is specified in this file
Description
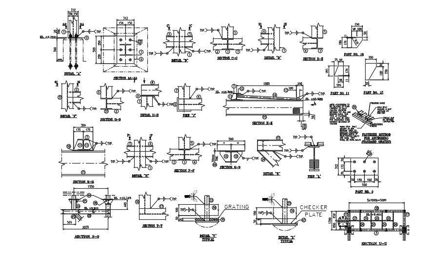
A typical fastener method for anchoring standard grating drawing is specified in this file. Grating, checker plate, stud bolt, saddle clip, and supporting beams are mentioned. Plan view, section view, detail drawing, side view, and elevation views are given. For each parts, the dimensions are mentioned. For more details download the AutoCAD drawing file from our cadbull website.
Uploaded by:

