19x7m water treatment plant sludge storage plan drawing i
Description
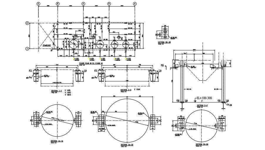
19x7m water treatment plant sludge storage plan drawing is given in this file. Floor plan and section details are given. Capacity details are given. For more details download the AutoCAD drawing file from our cadbull website.
File Type:
DWG
File Size:
135 KB
Category::
Urban Design
Sub Category::
Town Water Treatment Design
type:
Gold
Uploaded by:

