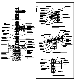
Construction details of foundation design drawing

Construction details of foundation design drawing
Profile

Uploaded by:

zalak

prajapati

Description
Here the Construction details of foundation design drawing with section design drawing and detail mentioned in this auto cad design drawing.
Profile

Uploaded by:

zalak

prajapati

find Latest

Related Files

WhatsApp Chat