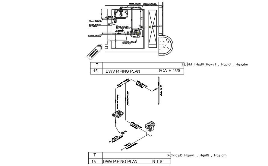
1500x1800mm toilet sanitary pipe line drawings are given in this CAD file
Description
1500x1800mm toilet sanitary pipe line drawings are given in this CAD file. Isometric directions are provided. Piping plan and isometric views are given. The dimension of each pipe is mentioned. For more details download the CAD file from our cadbull website.
Uploaded by:

