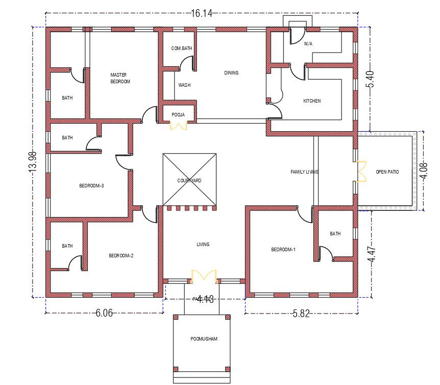
16x14m ground floor 4bhk house design CAD drawing
Description
16x14m ground floor 4bhk house design CAD model is given in this file. The living room, kitchen, open terrace, family living area, pooja room, common bathroom, wash area, dining area, master bedroom with the attached toilet, two kid’s room with the attached toilets, and guest room with the attached toilets are available on this ground floor plan. For more details download the CAD drawing file from our cadbull website.
Uploaded by:

