An electrical sockets detail drawing is given in this CAD file
Description
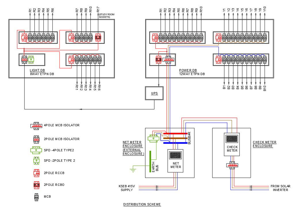
An electrical sockets detail drawing is given in this CAD file. 4 pole MCB isolator, 2 pole MCB isolator, 2 pole RCCB, 2 pole RCBO, net meter enclosure, 415V supply, earth bus, busbar, check meter, power DB, and study room sockets are mentioned. For more details download the CAD drawing file from our cadbull website.
Uploaded by:

