15x15m luxury house plan with home theatre CAD drawing
Description
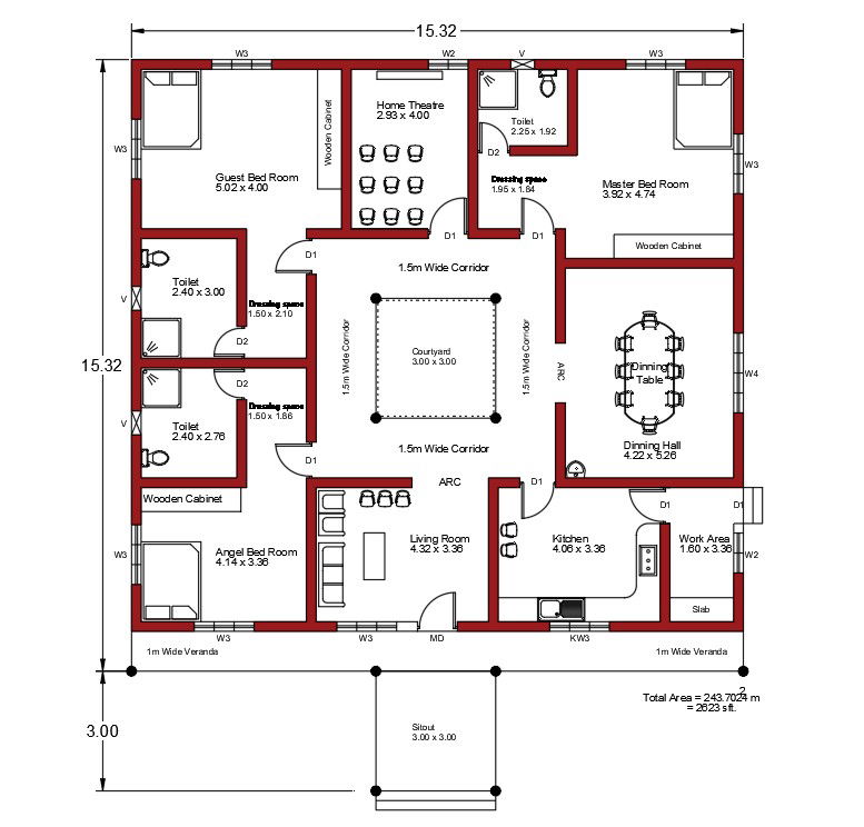
15x15m luxury house plan with home theatre CAD drawing is given in this file. The kitchen, living room, work area, angel bedroom with attached toilet & dressing room, guest bedroom with attached toilet, master bedroom with attached toilet & dressing room, home theatre, dining area, and court yards are available on this ground floor plan. The sit out is provided with the length and breadth of the 3m and 3m respectively. The total area of this house plan is 2623 square feet. 1m wide verandah is provided around the building. For more details download the CAD file from our cadbull website.
Uploaded by:

