30x60cm theme park column cross section with reinforced detail drawing
Description
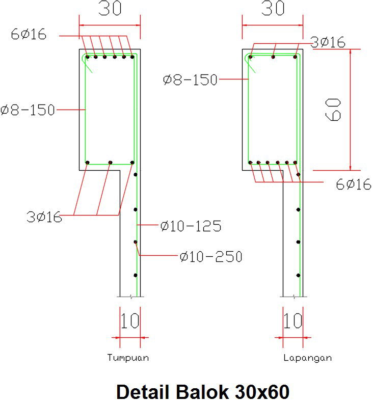
30x60cm theme park column cross section with reinforced detail drawing is given. At the top, 6 bars are provided. At the bottom, 3 bars are provided. At the top, 6 numbers of 16mm diameter rod is provided. At the bottom, 3 numbers of 16mm diameter bars are provided. For more details download the AutoCAD drawing file from our Cadbull website.
Uploaded by:

