5x2m septic tank plan CAD drawing is given in this file
Description
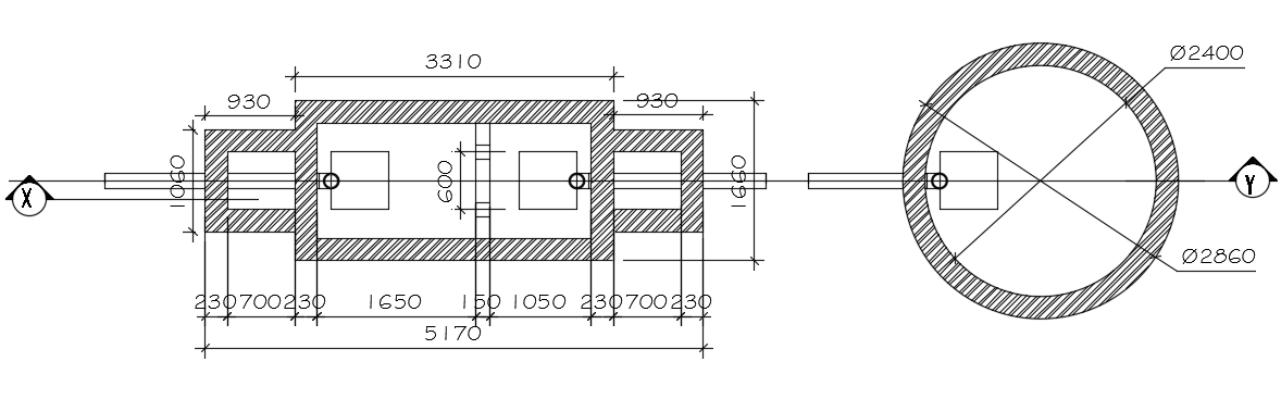
5x2m septic tank plan CAD drawing is given in this file. The plan and section view of the septic tank is given. This is providing for 12x15m house plan. For more details download the AutoCAD drawing file from our website.
Uploaded by:

