An electric pole plan and section drawing is given in this file
Description
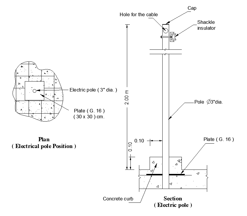
An electric pole plan and section drawing is given in this file. 3” diameter electric pole, plate, and concrete curbs are provided. The hole is provided for the cable. Cap is provided at the top of the electric pole. For more details download the AutoCAD drawing file. Thank you for downloading the AutoCAD drawing file in advance and other CAD program files from our website.
Uploaded by:

