The column layout of the 8x8m architecture house plan CAD drawing
Description
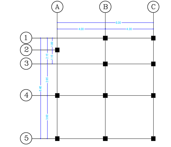
The column layout of the 8x8m architecture house plan CAD drawing is given in this file. The distance between each column dimension is given. On this ground floor, the living room, kitchen, master bedroom, kid’s room, and common bathrooms are available. For more details download the AutoCAD drawing model from our website.
Uploaded by:

