The ceiling fan location of the 14x12m ground floor house plan
Description
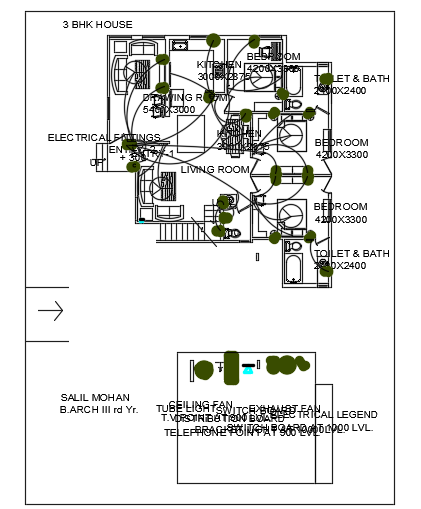
The ceiling fan location of the 14x12m ground floor house plan AutoCAD drawing is given in this file. This is a ground floor house plan with 3bhk. This ground floor consists of the living room, car parking, drawing room, kitchen, dining, master bedroom with the attached toilet, kid’s room with the attached toilet, guest room, and balconies are available. For more details download the AutoCAD drawing is given in this file.
Uploaded by:

