26x10m house plan ground floor carpentry work AutoCAD drawing
Description
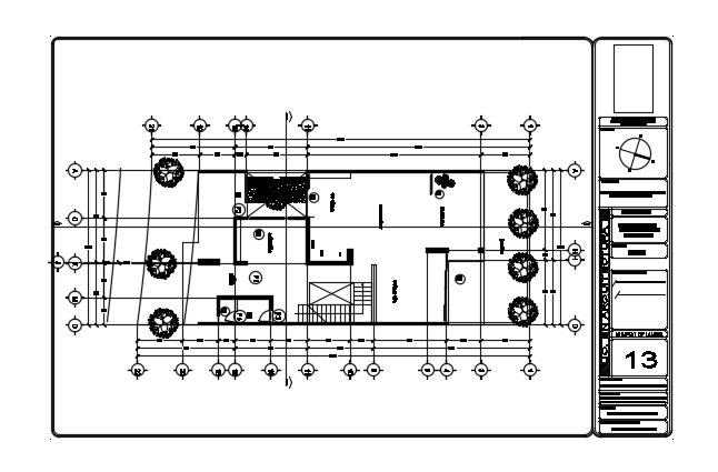
26x10m house plan ground floor carpentry work AutoCAD drawing is given in this file. The living room, kitchen, dining area, car parking, garden, and common bathroom are available. For more details download the AutoCAD drawing file from our cadbull website.
Uploaded by:

