15x9m architecture ground floor house plan CAD drawing
Description
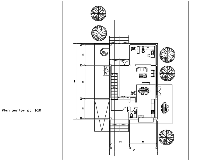
15x9m architecture ground floor house plan CAD drawing is given in this file. This is three story house building. On this ground floor, the living room, kitchen, dining area, common bathroom, and garden is available. For more details download the AutoCAD file from our cadbull website.
Uploaded by:

