LOGIN
HOME
CATEGORIES
UPLOAD FILE
PRICING
HOUSE PLAN
ABOUT US
CONTACT US
Existing-new pump house
Home
Categories
Architecture
Industrial Plant
Existing-new pump house
Uploaded by:
apurva
munet
View Profile
View Profile
Description
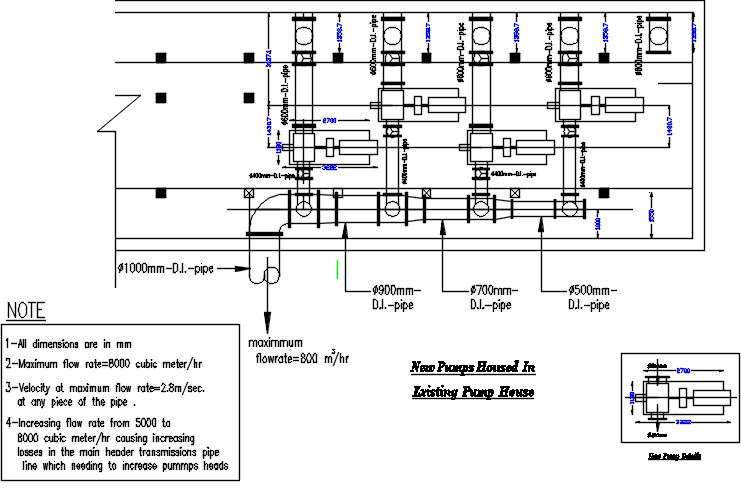
Here is the autocad dwg of existing-new pump house,drawing consists of civil plan and new layout plan of pump house,piping detail,detail of piping lines.
File Type:
DWG
File Size:
241 KB
Category::
Architecture
Sub Category::
Industrial Plant
type:
Free
Uploaded by:
apurva
munet
View Profile
Download
Add to libary
find Latest
Related
Files