Details stagnate-potable water accumulation
Description
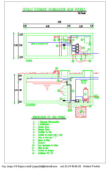
Here is an autocad dwg file for Details stagnate-potable water accumulation. Discolouration in potable water distribution systems:may be associated with its accumulation within distribution systems.
Uploaded by:
viddhi
chajjed

