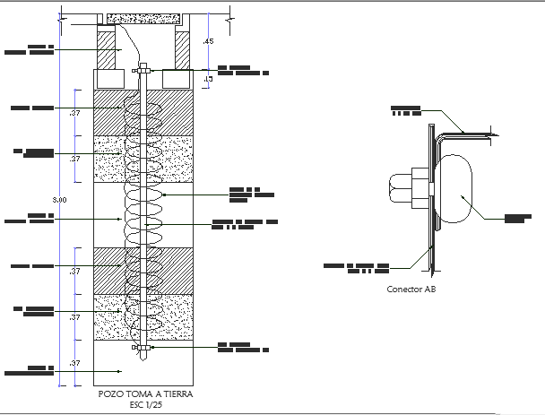
Takes electrical grounding
Description
Here the autocad drawing of takes electrical grounding with section and detailed drawing showing material description, dimensions and other required detail.
File Type:
DWG
File Size:
35 KB
Category::
Electrical
Sub Category::
Architecture Electrical Plans
type:
Gold
Uploaded by:

