17x20m luxury villa first floor plan AutoCAD model
Description
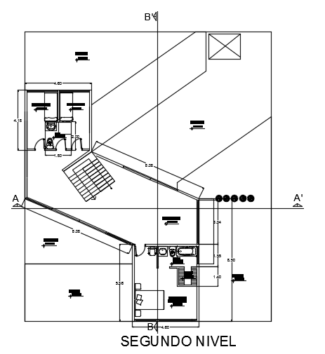
17x20m luxury villa first floor plan AutoCAD model is given in this file. This is G+ 1 villa building. On this first floor, the master bedroom with the attached toilet, guest room, kid’s room, and common bathrooms are available. For more details download the AutoCAD drawing file from our website. Thank you for downloading this Cad file from our cadbull website.
Uploaded by:

