5400x2000mm toilet plan AutoCAD drawing is given in this file
Description
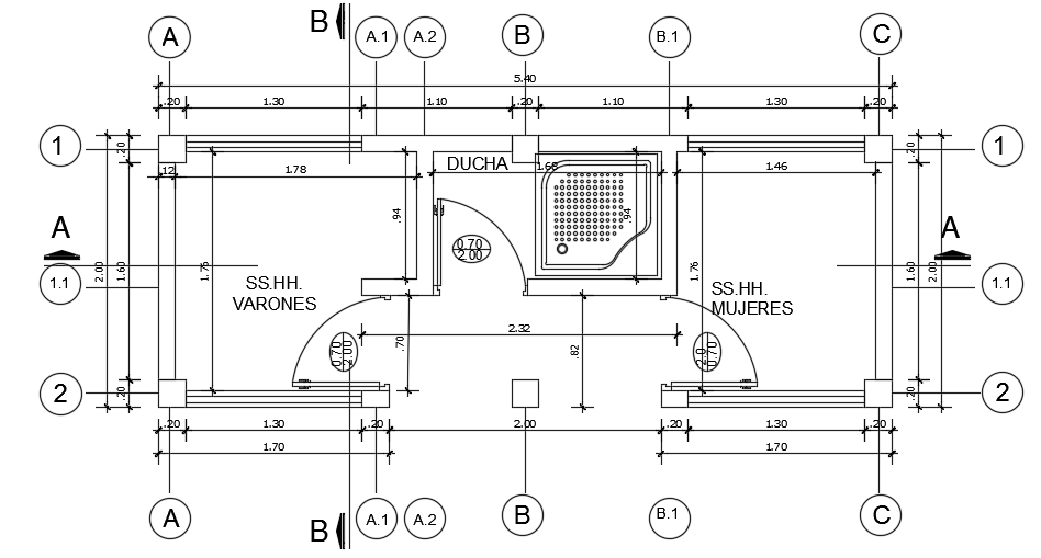
5400x2000mm toilet plan AutoCAD drawing is given in this file. The total height of the toilet building is 3.4m. On this plan, gent’s and ladies toilet is available. For more details download the AutoCAD drawing model from our cadbull website. Thank you for downloading the AutoCAD files from our cadbull website.
Uploaded by:

