Cross section of tunnel with detailing
Description
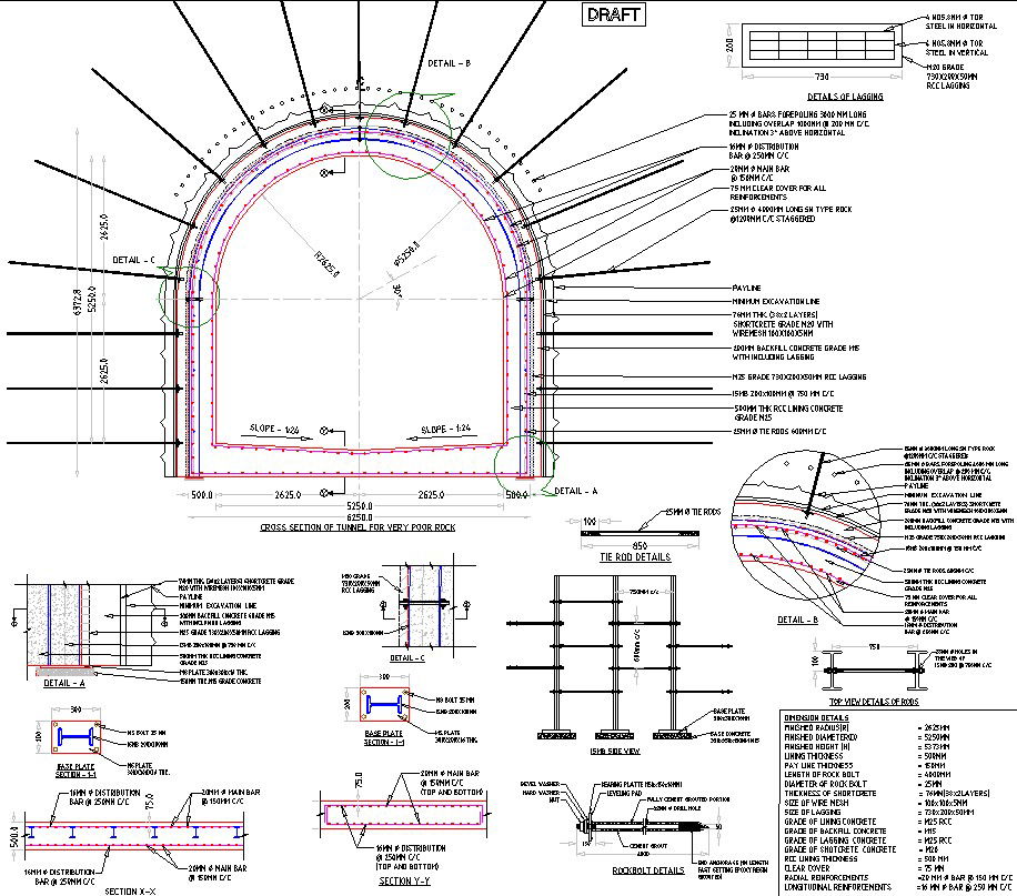
This is the drawing of cross section of tunnel for very poor rack. This picture including RCC details, reinforcement details, tie rod details, details of lagging, base plate section, rock bolt details, concrete details etc with their dimensions and positions. In this figure show each and every components of cross section of tunnel. For more details and information download drawing file.
Uploaded by:
viddhi
chajjed

